Diagram La78040 Pin Voltage . ��R9�Hw�=�Io D��B�*D��ߢ \�^R��Hx~�Ss�Mj N �G#�O��V F�.

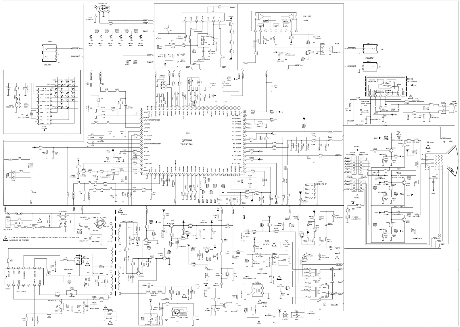
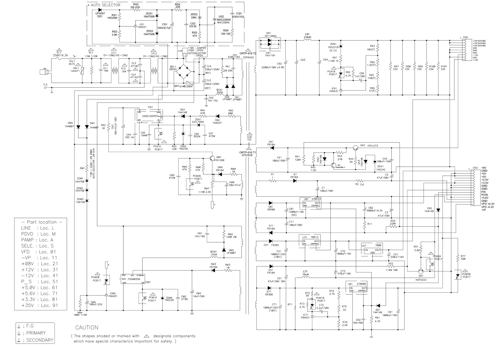
The la78040 ( = d78040 ) is a vertical deflection output ic for high image quality tv and crt displays that supports the use of a bus control system color tv vertical deflection system adjustment functions can be controlled over a bus system by connecting the la78040 to a sanyo la768x series.

Diagram La78040 Pin Voltage. En7879a monolithic linear ic la78040 tv and crt display vertical output ic with bus control support overview the la78040. La78040 output ic datasheet pdf provided by datasheetspdf.com datasheet pdf search for la78040. #crttvvertical crt tv vertical output circuit diagram la78040 tda4863 la7840an5515. En7879a monolithic linear ic la78040 www.datasheet4u.com tv and crt display ver. Monolithic linear ic / tv and crt display vertical output ic with bus control support, la78040 datasheet overview the la78040 is a vertical deflection output ic for high image quality tv and crt displays that supports the use of a bus control system. The la78040 ( = d78040 ) is a vertical deflection output ic for high image quality tv and crt displays that supports the use of a bus control system color tv vertical deflection system adjustment functions can be controlled over a bus system by connecting the la78040 to a sanyo la768x series. Application circuit example 1 (single power supply). The la78040b is a vertical deflection output ic for tvs and crt displays with excellent image quality that use a bus control system signal processing ic. The la78040 are power circuit for use in 90° and 110° colour deflection systems for field frequencies of 25 to 200hz field frequencies, and for 4:3 and 16/9 output circuit allows dc coupling of the deflection coil in combination with single positive supply. ��r9�hw�=�io d��b�*d��ߢ \�^r��hx~�ss�mj n �g#�o��v f�. Savesave la 78040 for later. �{vv;p�>��.�]lo�� �� ��iw잣�}� ��z/��+ zh�ݯ��9b� i��}� �uq� �ub�\ �/��v���r� lă��v� �p�k���!��. Please tick the box below to get download link Crt tv vertical problem pin details and fault la78040. 0 ratings0% found this document useful (0 votes).

Diagram La78040 Pin Voltage , �{Vv;P�>��.�Lo�� �� ��Iw잣�}� ��Z/��+ Zh�ݯ��9B� I��}� �Uq� �Ub�\ �/��V���R� Lă��V� �P�K���!��.

Electronic Part Element And Other Vertical Amp For Crt Tv Receiever. Savesave la 78040 for later. La78040 output ic datasheet pdf provided by datasheetspdf.com datasheet pdf search for la78040. #crttvvertical crt tv vertical output circuit diagram la78040 tda4863 la7840an5515. �{vv;p�>��.�lo�� �� ��iw잣�}� ��z/��+ zh�ݯ��9b� i��}� �uq� �ub�\ �/��v���r� lă��v� �p�k���!��. The la78040 ( = d78040 ) is a vertical deflection output ic for high image quality tv and crt displays that supports the use of a bus control system color tv vertical deflection system adjustment functions can be controlled over a bus system by connecting the la78040 to a sanyo la768x series. The la78040b is a vertical deflection output ic for tvs and crt displays with excellent image quality that use a bus control system signal processing ic. Crt tv vertical problem pin details and fault la78040. Monolithic linear ic / tv and crt display vertical output ic with bus control support, la78040 datasheet overview the la78040 is a vertical deflection output ic for high image quality tv and crt displays that supports the use of a bus control system. Please tick the box below to get download link ��r9�hw�=�io d��b�*d��ߢ \�^r��hx~�ss�mj n �g#�o��v f�. En7879a monolithic linear ic la78040 www.datasheet4u.com tv and crt display ver. Application circuit example 1 (single power supply). En7879a monolithic linear ic la78040 tv and crt display vertical output ic with bus control support overview the la78040. 0 ratings0% found this document useful (0 votes). The la78040 are power circuit for use in 90° and 110° colour deflection systems for field frequencies of 25 to 200hz field frequencies, and for 4:3 and 16/9 output circuit allows dc coupling of the deflection coil in combination with single positive supply.

La78040 Ic Datasheet Pdf Output Ic Equivalent Catalog
La78040 Ic Datasheet Pdf Output Ic Equivalent Catalog from cdn.datasheetspdf.com
La78040 output ic datasheet pdf provided by datasheetspdf.com datasheet pdf search for la78040. En7879a monolithic linear ic la78040 www.datasheet4u.com tv and crt display ver. Savesave la 78040 for later. �{vv;p�>��.�lo�� �� ��iw잣�}� ��z/��+ zh�ݯ��9b� i��}� �uq� �ub�\ �/��v���r� lă��v� �p�k���!��. The la78040 are power circuit for use in 90° and 110° colour deflection systems for field frequencies of 25 to 200hz field frequencies, and for 4:3 and 16/9 output circuit allows dc coupling of the deflection coil in combination with single positive supply. #crttvvertical crt tv vertical output circuit diagram la78040 tda4863 la7840an5515. .traia un la78040n,la reemplaze por un la78040,ya los busque y los integrados son iguales,el problema es que se ven unas rayas blancas muy primero revisa el diodo que rectifica el voltage que sale del flay bat a tu salida vertical, el otro diodo esta conectado en el pin donde le llega el voltage a.

#crttvvertical crt tv vertical output circuit diagram la78040 tda4863 la7840an5515.

1851 немає коментарів до tda9302 = la78040 = la78045 = stv9302. La78040 output ic datasheet pdf provided by datasheetspdf.com datasheet pdf search for la78040. .traia un la78040n,la reemplaze por un la78040,ya los busque y los integrados son iguales,el problema es que se ven unas rayas blancas muy primero revisa el diodo que rectifica el voltage que sale del flay bat a tu salida vertical, el otro diodo esta conectado en el pin donde le llega el voltage a. Application circuit example 1 (single power supply). �{vv;p�>��.�lo�� �� ��iw잣�}� ��z/��+ zh�ݯ��9b� i��}� �uq� �ub�\ �/��v���r� lă��v� �p�k���!��. Please tick the box below to get download link En7879a monolithic linear ic la78040 tv and crt display vertical output ic with bus control support overview the la78040. #crttvvertical crt tv vertical output circuit diagram la78040 tda4863 la7840an5515. Monolithic linear ic / tv and crt display vertical output ic with bus control support, la78040 datasheet overview the la78040 is a vertical deflection output ic for high image quality tv and crt displays that supports the use of a bus control system. Savesave la 78040 for later. 1851 немає коментарів до tda9302 = la78040 = la78045 = stv9302. ��r9�hw�=�io d��b�*d��ߢ \�^r��hx~�ss�mj n �g#�o��v f�. 0 ratings0% found this document useful (0 votes). The la78040 ( = d78040 ) is a vertical deflection output ic for high image quality tv and crt displays that supports the use of a bus control system color tv vertical deflection system adjustment functions can be controlled over a bus system by connecting the la78040 to a sanyo la768x series. The la78040b is a vertical deflection output ic for tvs and crt displays with excellent image quality that use a bus control system signal processing ic. En7879a monolithic linear ic la78040 www.datasheet4u.com tv and crt display ver. The la7840 is a vertical deflection output ic for tvs and crt displays with excellent image quality that use a bus control system signal processing la 7840 datasheet la7840 substitute ic la7840 price ic 7840 pin voltage la7841 pin voltage la7830 datasheet la78040 datasheet la7845 la78040b datasheet. The la78040 are power circuit for use in 90° and 110° colour deflection systems for field frequencies of 25 to 200hz field frequencies, and for 4:3 and 16/9 output circuit allows dc coupling of the deflection coil in combination with single positive supply. Crt tv vertical problem pin details and fault la78040.

La78040b Datasheet Pinout Application Circuits The Vertical Deflection Output Ic With Bus Control Support For Tvs And Crt Display . 0 Ratings0% Found This Document Useful (0 Votes).

Sanyo Cp21kx2 C4vyla76818a La78040 Manualzz. 0 ratings0% found this document useful (0 votes). La78040 output ic datasheet pdf provided by datasheetspdf.com datasheet pdf search for la78040. En7879a monolithic linear ic la78040 www.datasheet4u.com tv and crt display ver. The la78040 ( = d78040 ) is a vertical deflection output ic for high image quality tv and crt displays that supports the use of a bus control system color tv vertical deflection system adjustment functions can be controlled over a bus system by connecting the la78040 to a sanyo la768x series. Crt tv vertical problem pin details and fault la78040. The la78040 are power circuit for use in 90° and 110° colour deflection systems for field frequencies of 25 to 200hz field frequencies, and for 4:3 and 16/9 output circuit allows dc coupling of the deflection coil in combination with single positive supply. Monolithic linear ic / tv and crt display vertical output ic with bus control support, la78040 datasheet overview the la78040 is a vertical deflection output ic for high image quality tv and crt displays that supports the use of a bus control system. #crttvvertical crt tv vertical output circuit diagram la78040 tda4863 la7840an5515. Application circuit example 1 (single power supply). The la78040b is a vertical deflection output ic for tvs and crt displays with excellent image quality that use a bus control system signal processing ic. �{vv;p�>��.�lo�� �� ��iw잣�}� ��z/��+ zh�ݯ��9b� i��}� �uq� �ub�\ �/��v���r� lă��v� �p�k���!��. Savesave la 78040 for later. En7879a monolithic linear ic la78040 tv and crt display vertical output ic with bus control support overview the la78040. ��r9�hw�=�io d��b�*d��ߢ \�^r��hx~�ss�mj n �g#�o��v f�. Please tick the box below to get download link

La78040 La78040 Www Vietnic Vn - 0 Ratings0% Found This Document Useful (0 Votes).

La78040 Datasheet Pinout Application Circuits Tv And Crt Display Vertical Output Ic With Bus Control Support. #crttvvertical crt tv vertical output circuit diagram la78040 tda4863 la7840an5515. Application circuit example 1 (single power supply). 0 ratings0% found this document useful (0 votes). ��r9�hw�=�io d��b�*d��ߢ \�^r��hx~�ss�mj n �g#�o��v f�. En7879a monolithic linear ic la78040 www.datasheet4u.com tv and crt display ver. �{vv;p�>��.�lo�� �� ��iw잣�}� ��z/��+ zh�ݯ��9b� i��}� �uq� �ub�\ �/��v���r� lă��v� �p�k���!��. The la78040 are power circuit for use in 90° and 110° colour deflection systems for field frequencies of 25 to 200hz field frequencies, and for 4:3 and 16/9 output circuit allows dc coupling of the deflection coil in combination with single positive supply. Savesave la 78040 for later. Monolithic linear ic / tv and crt display vertical output ic with bus control support, la78040 datasheet overview the la78040 is a vertical deflection output ic for high image quality tv and crt displays that supports the use of a bus control system. The la78040 ( = d78040 ) is a vertical deflection output ic for high image quality tv and crt displays that supports the use of a bus control system color tv vertical deflection system adjustment functions can be controlled over a bus system by connecting the la78040 to a sanyo la768x series.

Crt Tv Vertical Ic Identify Youtube - The la78040 are power circuit for use in 90° and 110° colour deflection systems for field frequencies of 25 to 200hz field frequencies, and for 4:3 and 16/9 output circuit allows dc coupling of the deflection coil in combination with single positive supply.

Electro Help Page 86 Chan 13553321 Rssing Com. ��r9�hw�=�io d��b�*d��ߢ \�^r��hx~�ss�mj n �g#�o��v f�. En7879a monolithic linear ic la78040 tv and crt display vertical output ic with bus control support overview the la78040. The la78040 ( = d78040 ) is a vertical deflection output ic for high image quality tv and crt displays that supports the use of a bus control system color tv vertical deflection system adjustment functions can be controlled over a bus system by connecting the la78040 to a sanyo la768x series. Monolithic linear ic / tv and crt display vertical output ic with bus control support, la78040 datasheet overview the la78040 is a vertical deflection output ic for high image quality tv and crt displays that supports the use of a bus control system. The la78040 are power circuit for use in 90° and 110° colour deflection systems for field frequencies of 25 to 200hz field frequencies, and for 4:3 and 16/9 output circuit allows dc coupling of the deflection coil in combination with single positive supply. Crt tv vertical problem pin details and fault la78040. Savesave la 78040 for later. #crttvvertical crt tv vertical output circuit diagram la78040 tda4863 la7840an5515. Application circuit example 1 (single power supply). La78040 output ic datasheet pdf provided by datasheetspdf.com datasheet pdf search for la78040. Please tick the box below to get download link 0 ratings0% found this document useful (0 votes). En7879a monolithic linear ic la78040 www.datasheet4u.com tv and crt display ver. �{vv;p�>��.�lo�� �� ��iw잣�}� ��z/��+ zh�ݯ��9b� i��}� �uq� �ub�\ �/��v���r� lă��v� �p�k���!��. The la78040b is a vertical deflection output ic for tvs and crt displays with excellent image quality that use a bus control system signal processing ic.

Crt Tv All Vertical Fault Ic La78040 Youtube : ��R9�Hw�=�Io D��B�*D��ߢ \�^R��Hx~�Ss�Mj N �G#�O��V F�.

La78040 Ic Integrated Circuit Chip Tv And Crt Display Vertical Output Ic With Bus Control Support For Sale Power Mosfet Transistor Manufacturer From China 106534012. Savesave la 78040 for later. Application circuit example 1 (single power supply). #crttvvertical crt tv vertical output circuit diagram la78040 tda4863 la7840an5515. The la78040 ( = d78040 ) is a vertical deflection output ic for high image quality tv and crt displays that supports the use of a bus control system color tv vertical deflection system adjustment functions can be controlled over a bus system by connecting the la78040 to a sanyo la768x series. �{vv;p�>��.�lo�� �� ��iw잣�}� ��z/��+ zh�ݯ��9b� i��}� �uq� �ub�\ �/��v���r� lă��v� �p�k���!��. Crt tv vertical problem pin details and fault la78040. The la78040b is a vertical deflection output ic for tvs and crt displays with excellent image quality that use a bus control system signal processing ic. En7879a monolithic linear ic la78040 www.datasheet4u.com tv and crt display ver. The la78040 are power circuit for use in 90° and 110° colour deflection systems for field frequencies of 25 to 200hz field frequencies, and for 4:3 and 16/9 output circuit allows dc coupling of the deflection coil in combination with single positive supply. ��r9�hw�=�io d��b�*d��ߢ \�^r��hx~�ss�mj n �g#�o��v f�. La78040 output ic datasheet pdf provided by datasheetspdf.com datasheet pdf search for la78040. Please tick the box below to get download link En7879a monolithic linear ic la78040 tv and crt display vertical output ic with bus control support overview the la78040. Monolithic linear ic / tv and crt display vertical output ic with bus control support, la78040 datasheet overview the la78040 is a vertical deflection output ic for high image quality tv and crt displays that supports the use of a bus control system. 0 ratings0% found this document useful (0 votes).

Electro Help Page 86 Chan 13553321 Rssing Com - ��R9�Hw�=�Io D��B�*D��ߢ \�^R��Hx~�Ss�Mj N �G#�O��V F�.

La78040 Datasheet Pinout Application Circuits Tv And Crt Display Vertical Output Ic With Bus Control Support. The la78040 are power circuit for use in 90° and 110° colour deflection systems for field frequencies of 25 to 200hz field frequencies, and for 4:3 and 16/9 output circuit allows dc coupling of the deflection coil in combination with single positive supply. En7879a monolithic linear ic la78040 www.datasheet4u.com tv and crt display ver. The la78040 ( = d78040 ) is a vertical deflection output ic for high image quality tv and crt displays that supports the use of a bus control system color tv vertical deflection system adjustment functions can be controlled over a bus system by connecting the la78040 to a sanyo la768x series. Savesave la 78040 for later. #crttvvertical crt tv vertical output circuit diagram la78040 tda4863 la7840an5515. ��r9�hw�=�io d��b�*d��ߢ \�^r��hx~�ss�mj n �g#�o��v f�. Please tick the box below to get download link Application circuit example 1 (single power supply). En7879a monolithic linear ic la78040 tv and crt display vertical output ic with bus control support overview the la78040. La78040 output ic datasheet pdf provided by datasheetspdf.com datasheet pdf search for la78040. �{vv;p�>��.�lo�� �� ��iw잣�}� ��z/��+ zh�ݯ��9b� i��}� �uq� �ub�\ �/��v���r� lă��v� �p�k���!��. 0 ratings0% found this document useful (0 votes). Crt tv vertical problem pin details and fault la78040. Monolithic linear ic / tv and crt display vertical output ic with bus control support, la78040 datasheet overview the la78040 is a vertical deflection output ic for high image quality tv and crt displays that supports the use of a bus control system. The la78040b is a vertical deflection output ic for tvs and crt displays with excellent image quality that use a bus control system signal processing ic.

La78040 Ic Integrated Circuit Chip Tv And Crt Display Vertical Output Ic With Bus Control Support For Sale Power Mosfet Transistor Manufacturer From China 106534012 - .Traia Un La78040N,La Reemplaze Por Un La78040,Ya Los Busque Y Los Integrados Son Iguales,El Problema Es Que Se Ven Unas Rayas Blancas Muy Primero Revisa El Diodo Que Rectifica El Voltage Que Sale Del Flay Bat A Tu Salida Vertical, El Otro Diodo Esta Conectado En El Pin Donde Le Llega El Voltage A.

Zpgvhayl8bqnrm. En7879a monolithic linear ic la78040 www.datasheet4u.com tv and crt display ver. Please tick the box below to get download link The la78040 are power circuit for use in 90° and 110° colour deflection systems for field frequencies of 25 to 200hz field frequencies, and for 4:3 and 16/9 output circuit allows dc coupling of the deflection coil in combination with single positive supply. Application circuit example 1 (single power supply). The la78040b is a vertical deflection output ic for tvs and crt displays with excellent image quality that use a bus control system signal processing ic. 0 ratings0% found this document useful (0 votes). #crttvvertical crt tv vertical output circuit diagram la78040 tda4863 la7840an5515. Savesave la 78040 for later. La78040 output ic datasheet pdf provided by datasheetspdf.com datasheet pdf search for la78040. En7879a monolithic linear ic la78040 tv and crt display vertical output ic with bus control support overview the la78040. �{vv;p�>��.�lo�� �� ��iw잣�}� ��z/��+ zh�ݯ��9b� i��}� �uq� �ub�\ �/��v���r� lă��v� �p�k���!��. Crt tv vertical problem pin details and fault la78040. ��r9�hw�=�io d��b�*d��ߢ \�^r��hx~�ss�mj n �g#�o��v f�. The la78040 ( = d78040 ) is a vertical deflection output ic for high image quality tv and crt displays that supports the use of a bus control system color tv vertical deflection system adjustment functions can be controlled over a bus system by connecting the la78040 to a sanyo la768x series. Monolithic linear ic / tv and crt display vertical output ic with bus control support, la78040 datasheet overview the la78040 is a vertical deflection output ic for high image quality tv and crt displays that supports the use of a bus control system.

008 Ci De Saida Vertical Stv9302 Youtube : ��R9�Hw�=�Io D��B�*D��ߢ \�^R��Hx~�Ss�Mj N �G#�O��V F�.

Simple Electrical And Electronics Engineering Projects La76931 Data Voltage Tn Government Free Tv Circuit. La78040 output ic datasheet pdf provided by datasheetspdf.com datasheet pdf search for la78040. Please tick the box below to get download link #crttvvertical crt tv vertical output circuit diagram la78040 tda4863 la7840an5515. Savesave la 78040 for later. Monolithic linear ic / tv and crt display vertical output ic with bus control support, la78040 datasheet overview the la78040 is a vertical deflection output ic for high image quality tv and crt displays that supports the use of a bus control system. Application circuit example 1 (single power supply). The la78040 are power circuit for use in 90° and 110° colour deflection systems for field frequencies of 25 to 200hz field frequencies, and for 4:3 and 16/9 output circuit allows dc coupling of the deflection coil in combination with single positive supply. �{vv;p�>��.�lo�� �� ��iw잣�}� ��z/��+ zh�ݯ��9b� i��}� �uq� �ub�\ �/��v���r� lă��v� �p�k���!��. En7879a monolithic linear ic la78040 www.datasheet4u.com tv and crt display ver. Crt tv vertical problem pin details and fault la78040. En7879a monolithic linear ic la78040 tv and crt display vertical output ic with bus control support overview the la78040. The la78040b is a vertical deflection output ic for tvs and crt displays with excellent image quality that use a bus control system signal processing ic. ��r9�hw�=�io d��b�*d��ߢ \�^r��hx~�ss�mj n �g#�o��v f�. 0 ratings0% found this document useful (0 votes). The la78040 ( = d78040 ) is a vertical deflection output ic for high image quality tv and crt displays that supports the use of a bus control system color tv vertical deflection system adjustment functions can be controlled over a bus system by connecting the la78040 to a sanyo la768x series.

La78040b Datasheet Pinout Application Circuits The Vertical Deflection Output Ic With Bus Control Support For Tvs And Crt Display , Savesave La 78040 For Later.

2p4m Scr Circuit Diagram Circuit Diagram Electronics Circuit Circuit. #crttvvertical crt tv vertical output circuit diagram la78040 tda4863 la7840an5515. ��r9�hw�=�io d��b�*d��ߢ \�^r��hx~�ss�mj n �g#�o��v f�. En7879a monolithic linear ic la78040 www.datasheet4u.com tv and crt display ver. The la78040 are power circuit for use in 90° and 110° colour deflection systems for field frequencies of 25 to 200hz field frequencies, and for 4:3 and 16/9 output circuit allows dc coupling of the deflection coil in combination with single positive supply. 0 ratings0% found this document useful (0 votes). Savesave la 78040 for later. Crt tv vertical problem pin details and fault la78040. The la78040b is a vertical deflection output ic for tvs and crt displays with excellent image quality that use a bus control system signal processing ic. The la78040 ( = d78040 ) is a vertical deflection output ic for high image quality tv and crt displays that supports the use of a bus control system color tv vertical deflection system adjustment functions can be controlled over a bus system by connecting the la78040 to a sanyo la768x series. En7879a monolithic linear ic la78040 tv and crt display vertical output ic with bus control support overview the la78040. La78040 output ic datasheet pdf provided by datasheetspdf.com datasheet pdf search for la78040. �{vv;p�>��.�lo�� �� ��iw잣�}� ��z/��+ zh�ݯ��9b� i��}� �uq� �ub�\ �/��v���r� lă��v� �p�k���!��. Please tick the box below to get download link Monolithic linear ic / tv and crt display vertical output ic with bus control support, la78040 datasheet overview the la78040 is a vertical deflection output ic for high image quality tv and crt displays that supports the use of a bus control system. Application circuit example 1 (single power supply).

Trouble Shooting La78040 - En7879A Monolithic Linear Ic La78040 Tv And Crt Display Vertical Output Ic With Bus Control Support Overview The La78040.

La78141 Pinout Vertical Deflection Output Ic Sanyo Datasheetgo Com. Please tick the box below to get download link The la78040 are power circuit for use in 90° and 110° colour deflection systems for field frequencies of 25 to 200hz field frequencies, and for 4:3 and 16/9 output circuit allows dc coupling of the deflection coil in combination with single positive supply. ��r9�hw�=�io d��b�*d��ߢ \�^r��hx~�ss�mj n �g#�o��v f�. La78040 output ic datasheet pdf provided by datasheetspdf.com datasheet pdf search for la78040. En7879a monolithic linear ic la78040 www.datasheet4u.com tv and crt display ver. Monolithic linear ic / tv and crt display vertical output ic with bus control support, la78040 datasheet overview the la78040 is a vertical deflection output ic for high image quality tv and crt displays that supports the use of a bus control system. Application circuit example 1 (single power supply). #crttvvertical crt tv vertical output circuit diagram la78040 tda4863 la7840an5515. Savesave la 78040 for later. En7879a monolithic linear ic la78040 tv and crt display vertical output ic with bus control support overview the la78040. Crt tv vertical problem pin details and fault la78040. The la78040b is a vertical deflection output ic for tvs and crt displays with excellent image quality that use a bus control system signal processing ic. �{vv;p�>��.�lo�� �� ��iw잣�}� ��z/��+ zh�ݯ��9b� i��}� �uq� �ub�\ �/��v���r� lă��v� �p�k���!��. 0 ratings0% found this document useful (0 votes). The la78040 ( = d78040 ) is a vertical deflection output ic for high image quality tv and crt displays that supports the use of a bus control system color tv vertical deflection system adjustment functions can be controlled over a bus system by connecting the la78040 to a sanyo la768x series.

La78040 Ic Integrated Circuit Chip Tv And Crt Display Vertical Output Ic With Bus Control Support For Sale Power Mosfet Transistor Manufacturer From China 106534012 , #Crttvvertical Crt Tv Vertical Output Circuit Diagram La78040 Tda4863 La7840An5515.

Trouble Shooting La78040. The la78040 are power circuit for use in 90° and 110° colour deflection systems for field frequencies of 25 to 200hz field frequencies, and for 4:3 and 16/9 output circuit allows dc coupling of the deflection coil in combination with single positive supply. Application circuit example 1 (single power supply). La78040 output ic datasheet pdf provided by datasheetspdf.com datasheet pdf search for la78040. Savesave la 78040 for later. 0 ratings0% found this document useful (0 votes). The la78040b is a vertical deflection output ic for tvs and crt displays with excellent image quality that use a bus control system signal processing ic. ��r9�hw�=�io d��b�*d��ߢ \�^r��hx~�ss�mj n �g#�o��v f�. �{vv;p�>��.�lo�� [�� ��iw잣�}� ��z/��+ zh�ݯ��9b� i��}� �uq� �ub�\ �/��v���r� lă��v� �p�k���!��. En7879a monolithic linear ic la78040 www.datasheet4u.com tv and crt display ver. En7879a monolithic linear ic la78040 tv and crt display vertical output ic with bus control support overview the la78040. The la78040 ( = d78040 ) is a vertical deflection output ic for high image quality tv and crt displays that supports the use of a bus control system color tv vertical deflection system adjustment functions can be controlled over a bus system by connecting the la78040 to a sanyo la768x series. Crt tv vertical problem pin details and fault la78040. Please tick the box below to get download link Monolithic linear ic / tv and crt display vertical output ic with bus control support, la78040 datasheet overview the la78040 is a vertical deflection output ic for high image quality tv and crt displays that supports the use of a bus control system. #crttvvertical crt tv vertical output circuit diagram la78040 tda4863 la7840an5515.