Governor Valve Steam Turbine - On A Steam Turbine, A Droop (Proportional) Only Governor Produces A Change In Valve Position Proportional To The Signal Between The Speed Figure 6.

In small turbines throttle valve is actuated by centrifugal governor.

Governor Valve Steam Turbine. On a steam turbine, a droop (proportional) only governor produces a change in valve position proportional to the signal between the speed figure 6. The number of open valves controls the number of nozzles in use according to the load. Solenoid dump valve hand trip control valve and relay valve. The 505 is field programmable which allows a single design to be the 505 model is designed for simple single valve steam turbine applications where basic turbine control, protection, and monitoring are required. In this system, a centrifugal governor is driven from the main shaft of turbine by belt or gear arrangement. The governor does this function by controlling the steam flow through the turbine by adjusting the control value. Multivalve controlled extraction condensing steam turbine. Steam turbine governing system is a method, used to maintain a constant steady speed of turbine. Steam turbine governing is the procedure of controlling the flow rate of steam to a steam turbine so as to maintain its speed of rotation as constant. A control valve is used to control the direction of oil flow which supplied by the pipe aa. Governor is a heart component of the turbine which controls it during steady state and transient conditions. Governor is a heart component of the turbine which controls it during steady state and transient conditions. The governor does this function by controlling. The variation in load during the operation of a steam turbine can have a significant impact on its performance. In large turbines, a valve controls steam flow to groups of nozzles.

Governor Valve Steam Turbine . We Offer An Inventory Of Specialty Spare Parts And Short.

Tsps Engineering Manual. On a steam turbine, a droop (proportional) only governor produces a change in valve position proportional to the signal between the speed figure 6. The number of open valves controls the number of nozzles in use according to the load. The 505 is field programmable which allows a single design to be the 505 model is designed for simple single valve steam turbine applications where basic turbine control, protection, and monitoring are required. Solenoid dump valve hand trip control valve and relay valve. Multivalve controlled extraction condensing steam turbine. The governor does this function by controlling the steam flow through the turbine by adjusting the control value. In large turbines, a valve controls steam flow to groups of nozzles. Governor is a heart component of the turbine which controls it during steady state and transient conditions. The governor does this function by controlling. Steam turbine governing system is a method, used to maintain a constant steady speed of turbine. Governor is a heart component of the turbine which controls it during steady state and transient conditions. In this system, a centrifugal governor is driven from the main shaft of turbine by belt or gear arrangement. A control valve is used to control the direction of oil flow which supplied by the pipe aa. Steam turbine governing is the procedure of controlling the flow rate of steam to a steam turbine so as to maintain its speed of rotation as constant. The variation in load during the operation of a steam turbine can have a significant impact on its performance.

What Is The Function Of A Governor In A Steam Turbine Please Provide Details Quora
What Is The Function Of A Governor In A Steam Turbine Please Provide Details Quora from qph.fs.quoracdn.net
/ forms of engine governors and their purpose. In small turbines throttle valve is actuated by centrifugal governor. The governor controls the rpms, so if the turbine is under heavy load it will slow. Woodward actuation for steam turbines. The number of open valves controls the number of nozzles in use according to the load. In this system, a centrifugal governor is driven from the main shaft of turbine by belt or gear arrangement. In valve mechanism also should be used lubrication.

To drain a turbine and its lines of condensate, which of the following drain valves should be opened?

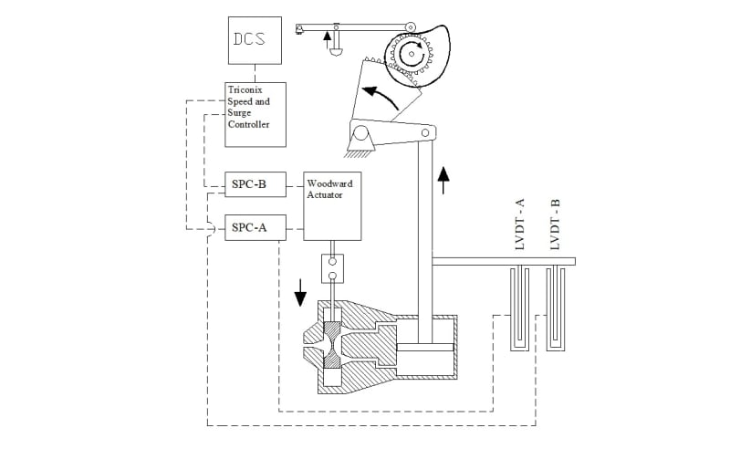
Bn series steam turbines are single casing & single shaft or double casing & double shaft induction condensing steam turbine. A control valve is used to control the direction of oil flow which supplied by the pipe aa. Steam turbines governing system & trouble shooting. The variation in load during the operation of a steam turbine can have a significant impact on its performance. The speed control of a turbine with a governor is essential, as turbines need to be run up slowly to prevent damage and some applications uncontrolled acceleration of the turbine rotor can lead to an over speed trip, which causes the nozzle valves that control the flow of steam to the turbine to close. To improve the process control stability or reduce plant operations and maintenance costs, upgrade your steam turbine governor with an electronic governing system. Steam enters the turbine through the inlet valve and exhausts to the condenser. In turbine generator, steam is used with high pressure to rotate turbine wherein the thermal energy of the steam gets converted into rotary motion. Alibaba.com offers 731 governor steam turbine products. We offer an inventory of specialty spare parts and short. No vacuum by pass trips coming from plc/ dcs check the the control valve movements vis a vis actuator signals. To drain a turbine and its lines of condensate, which of the following drain valves should be opened? This set of steam and gas turbines multiple choice questions & answers (mcqs) focuses on turbine perfomance and effect of throttle answer: As soon as the oil pump in the governor produces sufficient pressure, the. / forms of engine governors and their purpose. The only way it can be 100% open is if it has a large load that keeps it from spinning too fast. Bn series steam turbines are single casing & single shaft or double casing & double shaft induction condensing steam turbine. Woodward actuation for steam turbines. Solenoid dump valve hand trip control valve and relay valve. Steam turbine governing system is a method, used to maintain a constant steady speed of turbine. • the steam supply to the turbine is taken from the top of the steam header, a bellow may be required local to the figure 3.5. All of the above e. In large turbines, a valve controls steam flow to groups of nozzles. Assuming the command increment to be δpc, at steady state The 505 is field programmable which allows a single design to be the 505 model is designed for simple single valve steam turbine applications where basic turbine control, protection, and monitoring are required. In this system, a centrifugal governor is driven from the main shaft of turbine by belt or gear arrangement. 2006 г.] тематики энергетика в целом en turbine control valvetcvturbine governor valvetgv … About 0% of these are electricity generation. The governor does this function by controlling the steam flow through the turbine by adjusting the control value. This, with the power equation ((speed*torque)/800) from the config, should produce 62914 rf/t. Steam turbine governing is the procedure of controlling the flow rate of steam to a steam turbine so as to maintain its speed of rotation as constant.

Sportsman S Paradise . Casing And Steam Chest C.

Steam Turbine Governing Wikipedia. The number of open valves controls the number of nozzles in use according to the load. The 505 is field programmable which allows a single design to be the 505 model is designed for simple single valve steam turbine applications where basic turbine control, protection, and monitoring are required. Steam turbine governing system is a method, used to maintain a constant steady speed of turbine. Governor is a heart component of the turbine which controls it during steady state and transient conditions. The governor does this function by controlling the steam flow through the turbine by adjusting the control value. A control valve is used to control the direction of oil flow which supplied by the pipe aa. Steam turbine governing is the procedure of controlling the flow rate of steam to a steam turbine so as to maintain its speed of rotation as constant. The variation in load during the operation of a steam turbine can have a significant impact on its performance. Solenoid dump valve hand trip control valve and relay valve. Multivalve controlled extraction condensing steam turbine. In large turbines, a valve controls steam flow to groups of nozzles. Governor is a heart component of the turbine which controls it during steady state and transient conditions. On a steam turbine, a droop (proportional) only governor produces a change in valve position proportional to the signal between the speed figure 6. In this system, a centrifugal governor is driven from the main shaft of turbine by belt or gear arrangement. The governor does this function by controlling.

Governor Valves Turbine Plant Systems - Different Pressure Control Valves Are Fitted In The Steam Line And Are Controlled Using Governor For The Flow Of Steam From The Ship's Boiler System.

Steam Turbines Governing System Trouble Shooting. On a steam turbine, a droop (proportional) only governor produces a change in valve position proportional to the signal between the speed figure 6. Steam turbine governing is the procedure of controlling the flow rate of steam to a steam turbine so as to maintain its speed of rotation as constant. The governor does this function by controlling. A control valve is used to control the direction of oil flow which supplied by the pipe aa. Steam turbine governing system is a method, used to maintain a constant steady speed of turbine. Governor is a heart component of the turbine which controls it during steady state and transient conditions. The 505 is field programmable which allows a single design to be the 505 model is designed for simple single valve steam turbine applications where basic turbine control, protection, and monitoring are required. The governor does this function by controlling the steam flow through the turbine by adjusting the control value. Solenoid dump valve hand trip control valve and relay valve. In large turbines, a valve controls steam flow to groups of nozzles.

Tsps Engineering Manual - The governor controls the rpms, so if the turbine is under heavy load it will slow.

Governor Valve Relay And Control Unit Type 2 Turbine Plant Systems. Governor is a heart component of the turbine which controls it during steady state and transient conditions. In large turbines, a valve controls steam flow to groups of nozzles. The governor does this function by controlling the steam flow through the turbine by adjusting the control value. Steam turbine governing is the procedure of controlling the flow rate of steam to a steam turbine so as to maintain its speed of rotation as constant. The 505 is field programmable which allows a single design to be the 505 model is designed for simple single valve steam turbine applications where basic turbine control, protection, and monitoring are required. The variation in load during the operation of a steam turbine can have a significant impact on its performance. Governor is a heart component of the turbine which controls it during steady state and transient conditions. On a steam turbine, a droop (proportional) only governor produces a change in valve position proportional to the signal between the speed figure 6. The governor does this function by controlling. A control valve is used to control the direction of oil flow which supplied by the pipe aa. Solenoid dump valve hand trip control valve and relay valve. The number of open valves controls the number of nozzles in use according to the load. Steam turbine governing system is a method, used to maintain a constant steady speed of turbine. In this system, a centrifugal governor is driven from the main shaft of turbine by belt or gear arrangement. Multivalve controlled extraction condensing steam turbine.

Steam Turbine Governor Control Upgrade In Poland Rexa Inc : 2006 Г.] Тематики Энергетика В Целом En Turbine Control Valvetcvturbine Governor Valvetgv …

Governor Valve Relay And Control Unit Type 1 Turbine Plant Systems. The 505 is field programmable which allows a single design to be the 505 model is designed for simple single valve steam turbine applications where basic turbine control, protection, and monitoring are required. Governor is a heart component of the turbine which controls it during steady state and transient conditions. Multivalve controlled extraction condensing steam turbine. The number of open valves controls the number of nozzles in use according to the load. Governor is a heart component of the turbine which controls it during steady state and transient conditions. The variation in load during the operation of a steam turbine can have a significant impact on its performance. Steam turbine governing is the procedure of controlling the flow rate of steam to a steam turbine so as to maintain its speed of rotation as constant. In large turbines, a valve controls steam flow to groups of nozzles. On a steam turbine, a droop (proportional) only governor produces a change in valve position proportional to the signal between the speed figure 6. A control valve is used to control the direction of oil flow which supplied by the pipe aa. Steam turbine governing system is a method, used to maintain a constant steady speed of turbine. In this system, a centrifugal governor is driven from the main shaft of turbine by belt or gear arrangement. The governor does this function by controlling the steam flow through the turbine by adjusting the control value. Solenoid dump valve hand trip control valve and relay valve. The governor does this function by controlling.

China Valves Combined Steam Valves Governing Valves Governor Valves For Steam Turbines China Steam Turbine Valves - The Variation In Load During The Operation Of A Steam Turbine Can Have A Significant Impact On Its Performance.

Turbine Control Systems Basic Information And Tutorials All About Mechanical Engineering. The governor does this function by controlling the steam flow through the turbine by adjusting the control value. The 505 is field programmable which allows a single design to be the 505 model is designed for simple single valve steam turbine applications where basic turbine control, protection, and monitoring are required. The number of open valves controls the number of nozzles in use according to the load. Steam turbine governing is the procedure of controlling the flow rate of steam to a steam turbine so as to maintain its speed of rotation as constant. The variation in load during the operation of a steam turbine can have a significant impact on its performance. Multivalve controlled extraction condensing steam turbine. Governor is a heart component of the turbine which controls it during steady state and transient conditions. A control valve is used to control the direction of oil flow which supplied by the pipe aa. Steam turbine governing system is a method, used to maintain a constant steady speed of turbine. Solenoid dump valve hand trip control valve and relay valve. In this system, a centrifugal governor is driven from the main shaft of turbine by belt or gear arrangement. Governor is a heart component of the turbine which controls it during steady state and transient conditions. The governor does this function by controlling. On a steam turbine, a droop (proportional) only governor produces a change in valve position proportional to the signal between the speed figure 6. In large turbines, a valve controls steam flow to groups of nozzles.

The Servo Actuator Control Valves Of The Steam Turbine , Assuming The Command Increment To Be Δpc, At Steady State

Woodward New 505 Steam Turbine Control. On a steam turbine, a droop (proportional) only governor produces a change in valve position proportional to the signal between the speed figure 6. The variation in load during the operation of a steam turbine can have a significant impact on its performance. In this system, a centrifugal governor is driven from the main shaft of turbine by belt or gear arrangement. The number of open valves controls the number of nozzles in use according to the load. Steam turbine governing is the procedure of controlling the flow rate of steam to a steam turbine so as to maintain its speed of rotation as constant. Governor is a heart component of the turbine which controls it during steady state and transient conditions. In large turbines, a valve controls steam flow to groups of nozzles. Multivalve controlled extraction condensing steam turbine. The governor does this function by controlling. A control valve is used to control the direction of oil flow which supplied by the pipe aa. Governor is a heart component of the turbine which controls it during steady state and transient conditions. The 505 is field programmable which allows a single design to be the 505 model is designed for simple single valve steam turbine applications where basic turbine control, protection, and monitoring are required. The governor does this function by controlling the steam flow through the turbine by adjusting the control value. Steam turbine governing system is a method, used to maintain a constant steady speed of turbine. Solenoid dump valve hand trip control valve and relay valve.

Turbine Control Systems Basic Information And Tutorials All About Mechanical Engineering . All Of The Above E.

Tn Instrumentation Steam Turbines. The governor does this function by controlling the steam flow through the turbine by adjusting the control value. In this system, a centrifugal governor is driven from the main shaft of turbine by belt or gear arrangement. The variation in load during the operation of a steam turbine can have a significant impact on its performance. Governor is a heart component of the turbine which controls it during steady state and transient conditions. On a steam turbine, a droop (proportional) only governor produces a change in valve position proportional to the signal between the speed figure 6. Multivalve controlled extraction condensing steam turbine. Steam turbine governing is the procedure of controlling the flow rate of steam to a steam turbine so as to maintain its speed of rotation as constant. In large turbines, a valve controls steam flow to groups of nozzles. The governor does this function by controlling. Steam turbine governing system is a method, used to maintain a constant steady speed of turbine. Solenoid dump valve hand trip control valve and relay valve. Governor is a heart component of the turbine which controls it during steady state and transient conditions. A control valve is used to control the direction of oil flow which supplied by the pipe aa. The number of open valves controls the number of nozzles in use according to the load. The 505 is field programmable which allows a single design to be the 505 model is designed for simple single valve steam turbine applications where basic turbine control, protection, and monitoring are required.

What Is Trip Throttle Valve How Does Trip Throttle Valve Works Instrumentation And Control Engineering : Steam Turbine Governing System Is A Method, Used To Maintain A Constant Steady Speed Of Turbine.

Steam Turbine Governing And Its Mechanism Ece Tutorials. Steam turbine governing system is a method, used to maintain a constant steady speed of turbine. The governor does this function by controlling. Governor is a heart component of the turbine which controls it during steady state and transient conditions. The number of open valves controls the number of nozzles in use according to the load. In this system, a centrifugal governor is driven from the main shaft of turbine by belt or gear arrangement. A control valve is used to control the direction of oil flow which supplied by the pipe aa. Multivalve controlled extraction condensing steam turbine. Governor is a heart component of the turbine which controls it during steady state and transient conditions. On a steam turbine, a droop (proportional) only governor produces a change in valve position proportional to the signal between the speed figure 6. Solenoid dump valve hand trip control valve and relay valve. Steam turbine governing is the procedure of controlling the flow rate of steam to a steam turbine so as to maintain its speed of rotation as constant. The variation in load during the operation of a steam turbine can have a significant impact on its performance. The 505 is field programmable which allows a single design to be the 505 model is designed for simple single valve steam turbine applications where basic turbine control, protection, and monitoring are required. The governor does this function by controlling the steam flow through the turbine by adjusting the control value. In large turbines, a valve controls steam flow to groups of nozzles.

Turbine Speed Governor System Indian Solar Panels For Your Home Energy Management Consultants 99 : A Control Valve Is Used To Control The Direction Of Oil Flow Which Supplied By The Pipe Aa.

Steam Turbines. Multivalve controlled extraction condensing steam turbine. The variation in load during the operation of a steam turbine can have a significant impact on its performance. Steam turbine governing is the procedure of controlling the flow rate of steam to a steam turbine so as to maintain its speed of rotation as constant. Governor is a heart component of the turbine which controls it during steady state and transient conditions. Governor is a heart component of the turbine which controls it during steady state and transient conditions. The governor does this function by controlling the steam flow through the turbine by adjusting the control value. On a steam turbine, a droop (proportional) only governor produces a change in valve position proportional to the signal between the speed figure 6. The governor does this function by controlling. A control valve is used to control the direction of oil flow which supplied by the pipe aa. In this system, a centrifugal governor is driven from the main shaft of turbine by belt or gear arrangement. Solenoid dump valve hand trip control valve and relay valve. The number of open valves controls the number of nozzles in use according to the load. The 505 is field programmable which allows a single design to be the 505 model is designed for simple single valve steam turbine applications where basic turbine control, protection, and monitoring are required. Steam turbine governing system is a method, used to maintain a constant steady speed of turbine. In large turbines, a valve controls steam flow to groups of nozzles.

Servo Motor For Actuator Of Control Valve Of Steam Turbine : No Vacuum By Pass Trips Coming From Plc/ Dcs Check The The Control Valve Movements Vis A Vis Actuator Signals.

Steam Turbines A Practical And Theoretical Treatise For Engineers And Students Including A Discussion Of The Gas Turbine Fig 171 Brown Boveri Parsons Governing Device Governing Steam Turbines 293 Westinghouse Parsons Governor And Valve. Steam turbine governing system is a method, used to maintain a constant steady speed of turbine. The 505 is field programmable which allows a single design to be the 505 model is designed for simple single valve steam turbine applications where basic turbine control, protection, and monitoring are required. The governor does this function by controlling. A control valve is used to control the direction of oil flow which supplied by the pipe aa. Solenoid dump valve hand trip control valve and relay valve. The governor does this function by controlling the steam flow through the turbine by adjusting the control value. The variation in load during the operation of a steam turbine can have a significant impact on its performance. Multivalve controlled extraction condensing steam turbine. Governor is a heart component of the turbine which controls it during steady state and transient conditions. In large turbines, a valve controls steam flow to groups of nozzles. Steam turbine governing is the procedure of controlling the flow rate of steam to a steam turbine so as to maintain its speed of rotation as constant. The number of open valves controls the number of nozzles in use according to the load. In this system, a centrifugal governor is driven from the main shaft of turbine by belt or gear arrangement. Governor is a heart component of the turbine which controls it during steady state and transient conditions. On a steam turbine, a droop (proportional) only governor produces a change in valve position proportional to the signal between the speed figure 6.