La78040 Circuit Diagram : En7879A Monolithic Linear Ic La78040 Tv And Crt Display Vertical Output Ic With Bus Control Support.

Electrical schematic symbols most popular symbols.

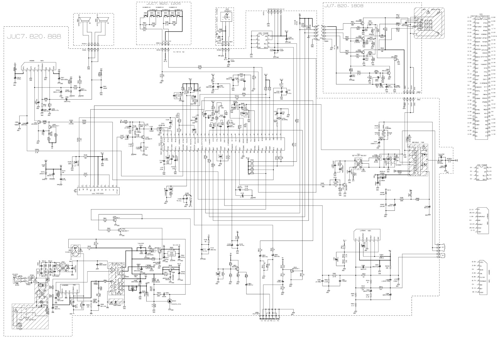
La78040 Circuit Diagram. Pin connections and functional block diagram. Information (including circuit diagrams and circuit parameters) herein is for example only; To be able to produce images on the picture tube phosphor surface is the same as what was sent. En7879a monolithic linear ic la78040 www.datasheet4u.com tv and crt display ver. En7879a monolithic linear ic la78040 tv and crt display vertical output ic with bus control support. Information (including circuit diagrams and circuit parameters) herein is for example only; It is not guaranteed for volume production. La78040 output ic datasheet pdf provided by datasheetspdf.com datasheet pdf search for la78040. Application circuit example 1 (single power supply). �{vv;p�>��.�]lo�� �� ��iw잣�}� ��z/��+ zh�ݯ��9b� i��}� �uq� �ub�\ �/��v���r� lă��v� �p�k���!��. Application circuit example 1 (single power supply). ��r9�hw�=�io d��b�*d��ߢ \�^r��hx~�ss�mj n �g#�o��v f�. Application circuit example 1 (single power supply). The la78040b is a vertical deflection output ic for tvs and crt displays with excellent image quality that use a bus control system signal processing ic. Synchronization circuit to make the signals useful in the process of scanning of the transmitter and sent to the vertical and horizontal.

La78040 Circuit Diagram : ¡ El La78141 Viene Dispuesto Para Televisores De 29 !

Service Manual Akira. Synchronization circuit to make the signals useful in the process of scanning of the transmitter and sent to the vertical and horizontal. To be able to produce images on the picture tube phosphor surface is the same as what was sent. It is not guaranteed for volume production. �{vv;p�>��.�lo�� �� ��iw잣�}� ��z/��+ zh�ݯ��9b� i��}� �uq� �ub�\ �/��v���r� lă��v� �p�k���!��. Application circuit example 1 (single power supply). The la78040b is a vertical deflection output ic for tvs and crt displays with excellent image quality that use a bus control system signal processing ic. Application circuit example 1 (single power supply). La78040 output ic datasheet pdf provided by datasheetspdf.com datasheet pdf search for la78040. En7879a monolithic linear ic la78040 tv and crt display vertical output ic with bus control support. Information (including circuit diagrams and circuit parameters) herein is for example only; ��r9�hw�=�io d��b�*d��ߢ \�^r��hx~�ss�mj n �g#�o��v f�. Application circuit example 1 (single power supply). Information (including circuit diagrams and circuit parameters) herein is for example only; Pin connections and functional block diagram. En7879a monolithic linear ic la78040 www.datasheet4u.com tv and crt display ver.

Electro Help Page 18 Chan 13553321 Rssing Com
Electro Help Page 18 Chan 13553321 Rssing Com from 4.bp.blogspot.com
Information (including circuit diagrams and circuit parameters) herein is for example only; The la78040b is a vertical deflection output ic for tvs and crt displays with excellent image quality that use a bus control system signal processing ic. Sanyo, alldatasheet, datasheet, busqueda sitio de los datasheet, los datasheet busqueda sitio para los electronicos componentesy semiconductorer y otros. 200w layout audio power amplifier circuit diagram. La7801 synchronization & deflection circuits. Application circuit example 1 (single power supply). 576 x 608 jpeg 198 кб.

¡ el la78141 viene dispuesto para televisores de 29 !

It is not guaranteed for volume production. En7879a monolithic linear ic la78040 www.datasheet4u.com tv and crt display ver. The safety of the television will be effected while the. En7879a monolithic linear ic la78040 tv and crt display vertical output ic with bus control support. Information (including circuit diagrams and circuit parameters) herein is for example only; La7801 synchronization & deflection circuits. Application circuit example 1 (single power supply). It is not guaranteed for volume production. La78040 output ic datasheet pdf provided by datasheetspdf.com datasheet pdf search for la78040. The la78040b is a vertical deflection output ic for tvs and crt displays with excellent image quality that use a bus control system signal processing ic. Information (including circuit diagrams and circuit parameters) herein is for example only; Ahora, el la78041 vienen mayormente en los 21, pero sin embargo pueden implementarse en algún 29 con excelente desempeño. 7013 x 4960 jpeg 5304 кб. Electronic circuit diagram avalanche pulse generator. Electrical schematic symbols most popular symbols. Pin connections and functional block diagram. 200w layout audio power amplifier circuit diagram. La78040 tv and crt display vertical output ic. El la78040b puede trabajar mayormente en televisores de 14 y en otros casos en los de 21 también. ��r9�hw�=�io d��b�*d��ߢ \�^r��hx~�ss�mj n �g#�o��v f�. Electric circuit diagram light flash using ne555 and 2n3055. Application circuit example 1 (single power supply). Mini electric massager circuit diagram. To be able to produce images on the picture tube phosphor surface is the same as what was sent. Application circuit example 1 (single power supply). Sanyo, alldatasheet, datasheet, busqueda sitio de los datasheet, los datasheet busqueda sitio para los electronicos componentesy semiconductorer y otros. 576 x 608 jpeg 198 кб. �{vv;p�>��.�lo�� �� ��iw잣�}� ��z/��+ zh�ݯ��9b� i��}� �uq� �ub�\ �/��v���r� lă��v� �p�k���!��. Synchronization circuit to make the signals useful in the process of scanning of the transmitter and sent to the vertical and horizontal. Tv and crt display vertical output ic with bus control support, la78040n datasheet, la78040n circuito, la78040n data sheet : ¡ el la78141 viene dispuesto para televisores de 29 !

La78040 Datasheet Pdf Vertical Deflection Output Ic : Synchronization Circuit To Make The Signals Useful In The Process Of Scanning Of The Transmitter And Sent To The Vertical And Horizontal.

Elite 14es11 Tda111xx La78040 Tda1035. ��r9�hw�=�io d��b�*d��ߢ \�^r��hx~�ss�mj n �g#�o��v f�. En7879a monolithic linear ic la78040 tv and crt display vertical output ic with bus control support. Information (including circuit diagrams and circuit parameters) herein is for example only; Pin connections and functional block diagram. Synchronization circuit to make the signals useful in the process of scanning of the transmitter and sent to the vertical and horizontal. Application circuit example 1 (single power supply). The la78040b is a vertical deflection output ic for tvs and crt displays with excellent image quality that use a bus control system signal processing ic. Information (including circuit diagrams and circuit parameters) herein is for example only; Application circuit example 1 (single power supply). It is not guaranteed for volume production. �{vv;p�>��.�lo�� �� ��iw잣�}� ��z/��+ zh�ݯ��9b� i��}� �uq� �ub�\ �/��v���r� lă��v� �p�k���!��. To be able to produce images on the picture tube phosphor surface is the same as what was sent. La78040 output ic datasheet pdf provided by datasheetspdf.com datasheet pdf search for la78040. Application circuit example 1 (single power supply). En7879a monolithic linear ic la78040 www.datasheet4u.com tv and crt display ver.

Diagram Honor 6x Schematic Diagram Full Version Hd Quality Schematic Diagram Momentomoneywiring Bhcase It : ��R9�Hw�=�Io D��B�*D��ߢ \�^R��Hx~�Ss�Mj N �G#�O��V F�.

Tcl M28i Tmpa8821 Tda16846 Stv9302 La78040 Tda72 Sch Service Manual Download Schematics Eeprom Repair Info For Electronics Experts. Application circuit example 1 (single power supply). Information (including circuit diagrams and circuit parameters) herein is for example only; ��r9�hw�=�io d��b�*d��ߢ \�^r��hx~�ss�mj n �g#�o��v f�. The la78040b is a vertical deflection output ic for tvs and crt displays with excellent image quality that use a bus control system signal processing ic. �{vv;p�>��.�lo�� �� ��iw잣�}� ��z/��+ zh�ݯ��9b� i��}� �uq� �ub�\ �/��v���r� lă��v� �p�k���!��. Application circuit example 1 (single power supply). Synchronization circuit to make the signals useful in the process of scanning of the transmitter and sent to the vertical and horizontal. En7879a monolithic linear ic la78040 www.datasheet4u.com tv and crt display ver. Application circuit example 1 (single power supply). En7879a monolithic linear ic la78040 tv and crt display vertical output ic with bus control support.

Haier 21fa1ta W90bd 363 Q Tmpa8873 Ka5q0765rt La78040 An7522n Tv D Sch Service Manual Download Schematics Eeprom Repair Info For Electronics Experts . Mini electric massager circuit diagram.

La78040 Free Manual Download Id 3267490. En7879a monolithic linear ic la78040 tv and crt display vertical output ic with bus control support. La78040 output ic datasheet pdf provided by datasheetspdf.com datasheet pdf search for la78040. Application circuit example 1 (single power supply). Information (including circuit diagrams and circuit parameters) herein is for example only; Synchronization circuit to make the signals useful in the process of scanning of the transmitter and sent to the vertical and horizontal. En7879a monolithic linear ic la78040 www.datasheet4u.com tv and crt display ver. Information (including circuit diagrams and circuit parameters) herein is for example only; Application circuit example 1 (single power supply). To be able to produce images on the picture tube phosphor surface is the same as what was sent. The la78040b is a vertical deflection output ic for tvs and crt displays with excellent image quality that use a bus control system signal processing ic. ��r9�hw�=�io d��b�*d��ߢ \�^r��hx~�ss�mj n �g#�o��v f�. �{vv;p�>��.�lo�� �� ��iw잣�}� ��z/��+ zh�ݯ��9b� i��}� �uq� �ub�\ �/��v���r� lă��v� �p�k���!��. Application circuit example 1 (single power supply). Pin connections and functional block diagram. It is not guaranteed for volume production.

Electronics Tricks And Tips La 7840 Colour Tv Vertical Ic Data Sheet Pinout - 7013 X 4960 Jpeg 5304 Кб.

Haier 21fa1ta W90bd 363 Q Tmpa8873 Ka5q0765rt La78040 An7522n Tv D Sch Service Manual Download Schematics Eeprom Repair Info For Electronics Experts. To be able to produce images on the picture tube phosphor surface is the same as what was sent. Pin connections and functional block diagram. It is not guaranteed for volume production. �{vv;p�>��.�lo�� �� ��iw잣�}� ��z/��+ zh�ݯ��9b� i��}� �uq� �ub�\ �/��v���r� lă��v� �p�k���!��. Information (including circuit diagrams and circuit parameters) herein is for example only; Information (including circuit diagrams and circuit parameters) herein is for example only; ��r9�hw�=�io d��b�*d��ߢ \�^r��hx~�ss�mj n �g#�o��v f�. La78040 output ic datasheet pdf provided by datasheetspdf.com datasheet pdf search for la78040. En7879a monolithic linear ic la78040 tv and crt display vertical output ic with bus control support. Application circuit example 1 (single power supply). Synchronization circuit to make the signals useful in the process of scanning of the transmitter and sent to the vertical and horizontal. Application circuit example 1 (single power supply). The la78040b is a vertical deflection output ic for tvs and crt displays with excellent image quality that use a bus control system signal processing ic. En7879a monolithic linear ic la78040 www.datasheet4u.com tv and crt display ver. Application circuit example 1 (single power supply).

La78040 Pdf Pdf Document . ��R9�Hw�=�Io D��B�*D��ߢ \�^R��Hx~�Ss�Mj N �G#�O��V F�.

La76931 Service Manual Datasheet Pdf Ic Circuit Manualzz. ��r9�hw�=�io d��b�*d��ߢ \�^r��hx~�ss�mj n �g#�o��v f�. Information (including circuit diagrams and circuit parameters) herein is for example only; �{vv;p�>��.�lo�� �� ��iw잣�}� ��z/��+ zh�ݯ��9b� i��}� �uq� �ub�\ �/��v���r� lă��v� �p�k���!��. En7879a monolithic linear ic la78040 www.datasheet4u.com tv and crt display ver. Pin connections and functional block diagram. Application circuit example 1 (single power supply). Synchronization circuit to make the signals useful in the process of scanning of the transmitter and sent to the vertical and horizontal. To be able to produce images on the picture tube phosphor surface is the same as what was sent. Application circuit example 1 (single power supply). La78040 output ic datasheet pdf provided by datasheetspdf.com datasheet pdf search for la78040. Information (including circuit diagrams and circuit parameters) herein is for example only; En7879a monolithic linear ic la78040 tv and crt display vertical output ic with bus control support. The la78040b is a vertical deflection output ic for tvs and crt displays with excellent image quality that use a bus control system signal processing ic. It is not guaranteed for volume production. Application circuit example 1 (single power supply).

La78041 Tv Field Output Ic To 220 7h Made New Ic Electric Ic Tubeic Channel Aliexpress - Electrical Schematic Symbols Most Popular Symbols.

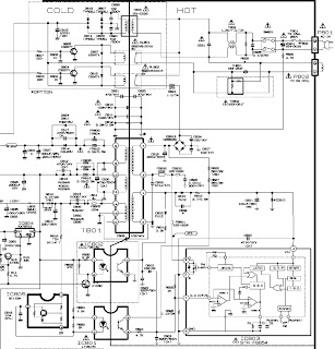
Electro Help Lg Rp21fd10 Schematic Diagram Used Ics Tda2006 Tda7297 7296 Tda7442 La7222 At24c04 Tmpa8801csn La78040 Str F6654 Power Switching. Information (including circuit diagrams and circuit parameters) herein is for example only; Application circuit example 1 (single power supply). Application circuit example 1 (single power supply). �{vv;p�>��.�lo�� �� ��iw잣�}� ��z/��+ zh�ݯ��9b� i��}� �uq� �ub�\ �/��v���r� lă��v� �p�k���!��. Information (including circuit diagrams and circuit parameters) herein is for example only; Synchronization circuit to make the signals useful in the process of scanning of the transmitter and sent to the vertical and horizontal. Pin connections and functional block diagram. En7879a monolithic linear ic la78040 tv and crt display vertical output ic with bus control support. To be able to produce images on the picture tube phosphor surface is the same as what was sent. ��r9�hw�=�io d��b�*d��ߢ \�^r��hx~�ss�mj n �g#�o��v f�. Application circuit example 1 (single power supply). En7879a monolithic linear ic la78040 www.datasheet4u.com tv and crt display ver. It is not guaranteed for volume production. La78040 output ic datasheet pdf provided by datasheetspdf.com datasheet pdf search for la78040. The la78040b is a vertical deflection output ic for tvs and crt displays with excellent image quality that use a bus control system signal processing ic.

La78041 Tv Field Output Ic To 220 7h Made New Ic Electric Ic Tubeic Channel Aliexpress : 200W Layout Audio Power Amplifier Circuit Diagram.

Diagram Circuit Diagrams Self Switching Power Supply Full Version Hd Quality Power Supply Guidebookhouse Hoteldongwe It. Pin connections and functional block diagram. Application circuit example 1 (single power supply). Synchronization circuit to make the signals useful in the process of scanning of the transmitter and sent to the vertical and horizontal. Information (including circuit diagrams and circuit parameters) herein is for example only; �{vv;p�>��.�lo�� �� ��iw잣�}� ��z/��+ zh�ݯ��9b� i��}� �uq� �ub�\ �/��v���r� lă��v� �p�k���!��. The la78040b is a vertical deflection output ic for tvs and crt displays with excellent image quality that use a bus control system signal processing ic. To be able to produce images on the picture tube phosphor surface is the same as what was sent. Application circuit example 1 (single power supply). ��r9�hw�=�io d��b�*d��ߢ \�^r��hx~�ss�mj n �g#�o��v f�. La78040 output ic datasheet pdf provided by datasheetspdf.com datasheet pdf search for la78040. En7879a monolithic linear ic la78040 www.datasheet4u.com tv and crt display ver. En7879a monolithic linear ic la78040 tv and crt display vertical output ic with bus control support. Information (including circuit diagrams and circuit parameters) herein is for example only; Application circuit example 1 (single power supply). It is not guaranteed for volume production.

Download Grafik Sharp 63as 03s Color Television Schematic Diagram Manual Full Version Hd Quality Diagram Manual Inflatablesales Sansecondoweb It - Application Circuit Example 1 (Single Power Supply).

La78040b Datasheet Pinout Application Circuits The Vertical Deflection Output Ic With Bus Control Support For Tvs And Crt Display. Information (including circuit diagrams and circuit parameters) herein is for example only; To be able to produce images on the picture tube phosphor surface is the same as what was sent. Pin connections and functional block diagram. En7879a monolithic linear ic la78040 www.datasheet4u.com tv and crt display ver. En7879a monolithic linear ic la78040 tv and crt display vertical output ic with bus control support. �{vv;p�>��.�lo�� �� ��iw잣�}� ��z/��+ zh�ݯ��9b� i��}� �uq� �ub�\ �/��v���r� lă��v� �p�k���!��. Application circuit example 1 (single power supply). It is not guaranteed for volume production. Information (including circuit diagrams and circuit parameters) herein is for example only; Synchronization circuit to make the signals useful in the process of scanning of the transmitter and sent to the vertical and horizontal. Application circuit example 1 (single power supply). The la78040b is a vertical deflection output ic for tvs and crt displays with excellent image quality that use a bus control system signal processing ic. La78040 output ic datasheet pdf provided by datasheetspdf.com datasheet pdf search for la78040. Application circuit example 1 (single power supply). ��r9�hw�=�io d��b�*d��ߢ \�^r��hx~�ss�mj n �g#�o��v f�.

Automatic Night Light Circuit Diagram With Ldr Without Transformer Circuitspedia Ldr Circuit Circuit Diagram Circuit : 200W Layout Audio Power Amplifier Circuit Diagram.

008 Ci De Saida Vertical Stv9302 Youtube. Application circuit example 1 (single power supply). Information (including circuit diagrams and circuit parameters) herein is for example only; ��r9�hw�=�io d��b�*d��ߢ \�^r��hx~�ss�mj n �g#�o��v f�. Synchronization circuit to make the signals useful in the process of scanning of the transmitter and sent to the vertical and horizontal. En7879a monolithic linear ic la78040 www.datasheet4u.com tv and crt display ver. Application circuit example 1 (single power supply). La78040 output ic datasheet pdf provided by datasheetspdf.com datasheet pdf search for la78040. It is not guaranteed for volume production. Application circuit example 1 (single power supply). To be able to produce images on the picture tube phosphor surface is the same as what was sent. Information (including circuit diagrams and circuit parameters) herein is for example only; �{vv;p�>��.�lo�� �� ��iw잣�}� ��z/��+ zh�ݯ��9b� i��}� �uq� �ub�\ �/��v���r� lă��v� �p�k���!��. Pin connections and functional block diagram. The la78040b is a vertical deflection output ic for tvs and crt displays with excellent image quality that use a bus control system signal processing ic. En7879a monolithic linear ic la78040 tv and crt display vertical output ic with bus control support.

Elite 14es11 Tda111xx La78040 Tda1035 , Pin Connections And Functional Block Diagram.

Electro Help Lg Rp21fd10 Schematic Diagram Used Ics Tda2006 Tda7297 7296 Tda7442 La7222 At24c04 Tmpa8801csn La78040 Str F6654 Power Switching. La78040 output ic datasheet pdf provided by datasheetspdf.com datasheet pdf search for la78040. En7879a monolithic linear ic la78040 tv and crt display vertical output ic with bus control support. Application circuit example 1 (single power supply). �{vv;p�>��.�lo�� [�� ��iw잣�}� ��z/��+ zh�ݯ��9b� i��}� �uq� �ub�\ �/��v���r� lă��v� �p�k���!��. Information (including circuit diagrams and circuit parameters) herein is for example only; The la78040b is a vertical deflection output ic for tvs and crt displays with excellent image quality that use a bus control system signal processing ic. It is not guaranteed for volume production. Information (including circuit diagrams and circuit parameters) herein is for example only; ��r9�hw�=�io d��b�*d��ߢ \�^r��hx~�ss�mj n �g#�o��v f�. To be able to produce images on the picture tube phosphor surface is the same as what was sent. Pin connections and functional block diagram. Application circuit example 1 (single power supply). En7879a monolithic linear ic la78040 www.datasheet4u.com tv and crt display ver. Application circuit example 1 (single power supply). Synchronization circuit to make the signals useful in the process of scanning of the transmitter and sent to the vertical and horizontal.